- Kategori
-
- Styre - Handtag - Gasvajer 8
- Backspeglar - Switchhandtag 3
- Styrkrona - Styrlager 3
- Framgaffel - Framskärm 5
- Framfälg - Hastighetsgivare 10
- Frambroms- Bromsskiva - Bromsbelägg 10
- Avgassystem - Ljuddämpare 4
- Bränsletank - Bränslepump - Tankgivare 10
- Sadel - Sadellåda - Passagerarhandtag 9
- Bakfälg - Bakbroms - Inre stänkskärm 19
- Tändningslås - Sadellåsvajer - Ram 5
- Centralstöd - Sidostöd - Motorfäste 13
- Passagerarfotstöd 2
- Stötdämpare bak 3
- Instrumentpanel - Styrkåpor 5
- Frontkåpa - Sidokåpor fram 12
- Benskydd - USB-uttag - Hjälmkrok 8
- Golv - Undergolv - Batterilucka 6
- Sidokåpor - Bakkåpor 14
- Framlykta - Blinkers fram 4
- Baklykta - Blinkers bak - Bakskärm 9
- Elsystem - Tändspole - Laddningsregulator 14
- Fläktkåpa 3
- Topplock - Tändstift - Temperaturgivare 21
- Kamkedja - Kamaxel 11
- Cylinder - Kedjespännare - Pinnbultar 8
- Vevparti - Kolv - Kolvringar 5
- Vevhus - Oljepump 11
- Motorkåpa höger - Oljeplugg - Oljesticka 15
- Stator - Svänghjul - Fläkt 7
- Vänster motorkåpa - Startmotor 20
- Variatorkåpa - Kickaxel - Kick - Bendixdrev 21
- Variatorrem - Främre variator - Bakre variator 12
- Växellåda 13
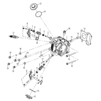
- Trottelhus - Spridare - Insugsrör 11
- Luftburk - Luftfilter 6
- Växellådskåpa - Bromsoksfäste bak 1
- Dekaler 2
Prisgaranti
Fri frakt vid köp över 1000 kr
30 dagars öppet köp






































